一、產品簡介:
PE-7型鋼制懸臂梁式稱重傳感器,采用不銹鋼波紋管焊接密封型式,可承受拉、壓兩種受力形式,抗過載、抗疲勞、抗偏載能力強。可用于制作電子皮帶秤、料斗稱等各種專用衡器。
二、技術指標:
|
量程 |
10~1000Kg |
輸入電阻 |
385±10Ω |
|
靈敏度 |
2±0.010 mV/V |
輸出電阻 |
350±3Ω |
|
非線性 /滯后/重復性 |
± 0.02%FS |
絕緣電阻 |
≥ 5000 MΩ |
|
蠕 變 |
± 0.02%FS |
供橋電壓 |
10(DC/AC) V |
|
零點輸出 |
± 1.00%FS |
工作溫度 |
- 20~+60℃ |
|
零點溫度影響 |
± 0.02%FS/10℃ |
安全過載 |
120%FS |
|
輸出溫度影響 |
± 0.02%FS/10℃ |
材質 |
不銹鋼 |
|
接線方式 |
輸入:紅(+)黑(-) 輸出:綠(+) 白(-) |
||
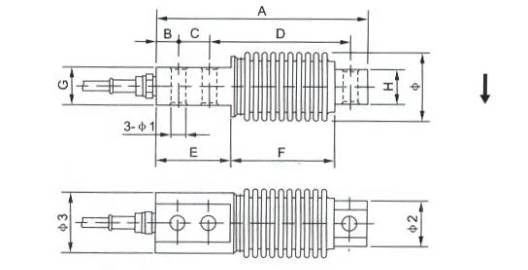
三、外形尺寸:

|
量程 (kg) |
尺寸: mm |
|||||||||||
|
A |
B |
C |
D |
E |
F |
G |
H |
Φ |
Φ 1 |
Φ 2 |
Φ 3 |
|
|
10-200 |
123.0 |
13.0 |
18.0 |
82.0 |
45.0 |
59.0 |
22.0 |
20.0 |
45.0 |
8.5 |
26.0 |
35.0 |
|
300-1000 |
210.0 |
15.0 |
40.0 |
133.0 |
93.0 |
64.0 |
34.0 |
25.0 |
60.0 |
13.0 |
36.0 |
50.0 |





