一、產品簡介:
PE-3型鋁制箱式稱重傳感器為單點承載結構,出廠時已通過四角調整保證其在規定的受載平面內各點輸出一致。可用于制作由單只傳感器構成的各種形式電子臺秤,產品結構形式簡單、使用方便。
二、技術指標:
|
量程 |
60~500Kg |
輸入電阻 |
410±15Ω |
|
靈敏度 |
2±0.1 mV/V |
輸出電阻 |
350±3Ω |
|
非線性 /滯后/重復性 |
± 0.02%FS |
絕緣電阻 |
≥ 5000 MΩ |
|
蠕 變 |
± 0.02%FS |
供橋電壓 |
10(DC/AC) V |
|
零點輸出 |
± 1.00%FS |
工作溫度 |
- 20~+60℃ |
|
零點溫度影響 |
± 0.02%FS/10℃ |
安全過載 |
120%FS |
|
輸出溫度影響 |
± 0.02%FS/10℃ |
材質 |
鋁合金 |
|
接線方式 |
輸入:紅(+)黑(-) 輸出:綠(+) 白(-) |
||
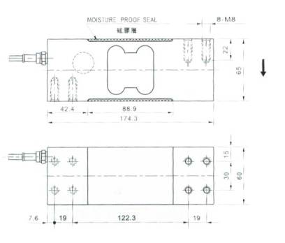
三、外形尺寸:

量程: 60、100、150、250、300、500Kg zui大臺稱面積: 600×600mm





