一、簡介
XJN-3雙法蘭式連接,安裝方便,適用于靜態、非連續旋轉的扭矩力值的測量與控制。
二、技術參數
|
額定載荷 |
1000~5000N.m |
工作溫度 |
-20℃~+65℃ |
|
綜合精度 |
0.1~0.5%F·S |
輸入阻抗 |
380±10 Ω 或 750±15 Ω |
|
靈敏度 |
1.0~2.0 mV/V |
輸出阻抗 |
350±3 Ω 或 700±5 Ω |
|
蠕變 |
±0.05 %F·S/30min |
絕緣電阻 |
>5000 MΩ |
|
零點輸出 |
±2%F·S |
安全過載 |
120% F·S |
|
零點溫度影響 |
±0.05 %F·S/10℃ |
供橋電壓 |
建議 10VDC |
|
輸出溫度影響 |
±0.05 %F·S/10℃ |
材質 |
合金鋼 |
|
傳感器接線方式
|
輸入+:紅 輸入-:黑 輸出+:綠 輸出-:白 |
||
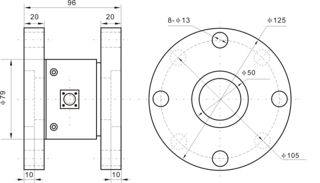
三、外型圖、尺寸
|
|






